Yacht Devices Rudder Adapter for NMEA2000 - YDRA-01N
Yacht Devices Rudder Adapter for NMEA2000 - YDRA-01N

The NMEA 2000 Rudder Angle Adapter YDRA-01 allows you to connect an existing resistive type rudder angle sensor installed on a rudder and supply NMEA 2000 autopilots, chart plotters and other devices with the rudder angle.
The Device can be used with a rudder angle sensor with maximal resistance less than 400 Ohm, including European (10 to 180 Ohm range) or American (240 to 33 Ohm range) standard sensors, and with 0-5V voltage output sensors.
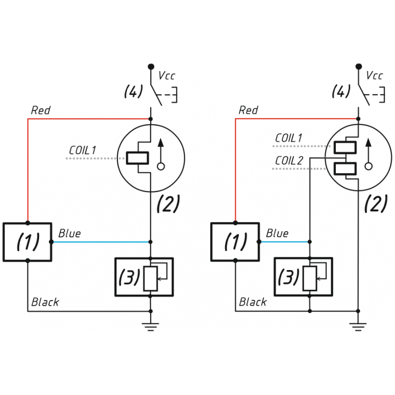
The Adapter can be installed as a standalone measuring device, or work together with a digital gauge, or in parallel with an existing analog gauge (2-coils and 1-coils gauges are supported, see Picture 2). If you have a combined gauge where you choose the value to display with a button, the Adapter will smoothly work with it, too.
Rudder angle readings can be calibrated with up to 7 calibration points to compensate for non-linearity of the sensor's resistance value vs rudder angle. Parasitic resistance of the sensor wires can also be compensated in the Device settings.
The Adapter is equipped with a Micro SD card slot intended for configuration, firmware updates, diagnostics and data logging. No special software is required. You only need a device (laptop or smartphone) with a MicroSD card reader and a simple text editor.
Use with our other products:
you can use our Wi-Fi Gateway to see rudder angle right from a browser (two rudders are supported) or marine apps;
the Adapter can record rudder angle data to the MicroSD card, but you can also use a recording device like our Voyage Recorder (see the list of data types) to store data along with all other vessel data;
the Adapter can also be configured with special "Installation Description" strings. Some MFD's allow entering text to the device properties. This text is usually used to save installation notes, the device location or the installer's contacts. You can also enter these strings with our free CAN Log Viewer software, connected to NMEA 2000 with the USB Gateway or Wi-Fi Gateway.
Special features:
can work as trim tabs sensor adapter (two devices are required when tabs are not synchronized);
allows to display of non-standard data types on Garmin MFDs (e.g. rotary mast angle);
The Device is powered from the NMEA 2000 network and provides high voltage galvanic isolation between NMEA 2000 and sensor inputs.



